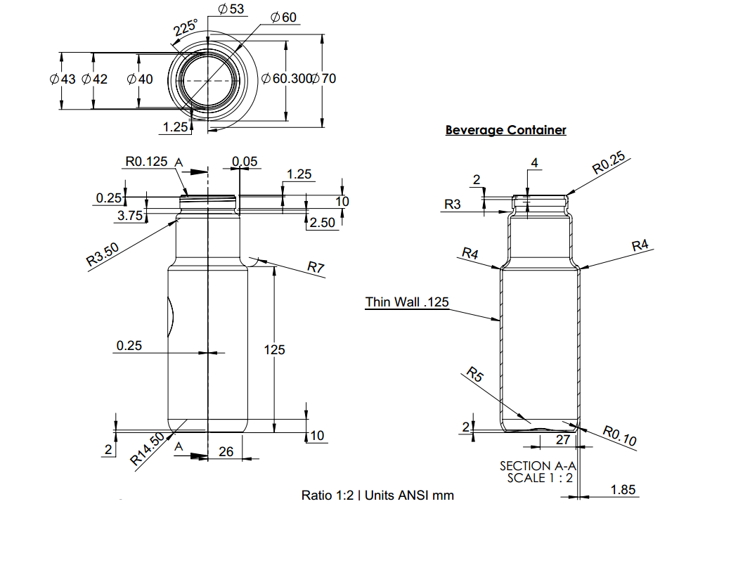
Beverage Container

 
 

Date Created:  Summer 2014  |  CollaboratorsN/A

 

 

Program: SolidWorks Educational 2014  |  Location: Los Angeles, CA

 

 

Purpose: Job Application Quiz 


<
Mechanical
>